Hei.
Har vært innom Nissan og fått oversikt over koblingene på de originale releene. Så tror jeg skal ha det jeg trenger!
Skal ta kontakt hvis jeg mangler noe. Takk for hjelpen!
Dato/klokkeslett: 30/04/2026, 23:10
Hanss1 skrev:Hei.
Har vært innom Nissan og fått oversikt over koblingene på de originale releene. Så tror jeg skal ha det jeg trenger!
Skal ta kontakt hvis jeg mangler noe. Takk for hjelpen!
Parazitt skrev:Hanss1 skrev:Hei.
Har vært innom Nissan og fått oversikt over koblingene på de originale releene. Så tror jeg skal ha det jeg trenger!
Skal ta kontakt hvis jeg mangler noe. Takk for hjelpen!
Okei, den er grei. fikk scanna de idag
mareik skrev:ttrodde jeg fikk svar når emne ble svart på jeg.
Da er kittet montert brukte ca 3 timer men gjorde det helt skjult.
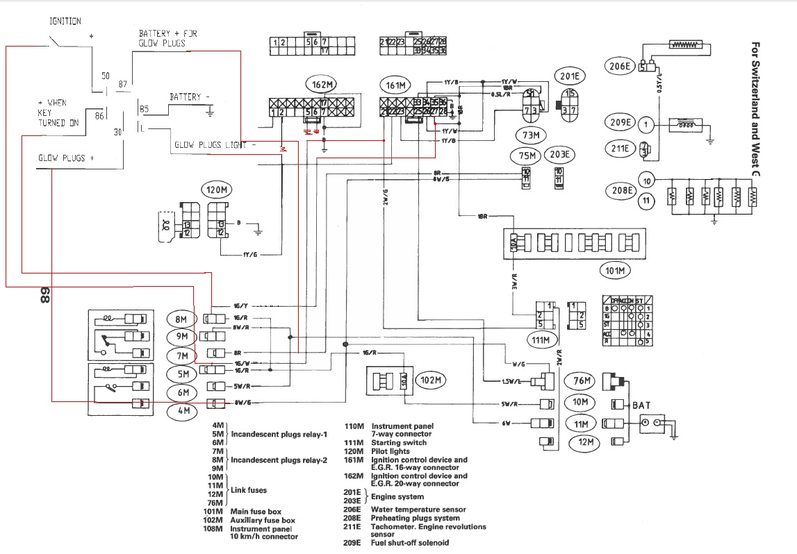
Det virket utrolig bra greit og koble, men men atrenger et koblingskjema hvis man skal gjøre det bra.
Nå starter patrolen nesten før jeg vrir om nøkkelen og går som en klokke.
Bestilte et ekstra kit så hvis noen trenger et kit er det bare og sende meg en pm.
Det man trenger får og montere dette kitte er: ca 3m med ledning 1,5 kvadrat eller større et gult hun kobling krympe strømper loddebolt og litt loddetinn
Morten skrev:Jeg har kobla det nye glødesystemet som på tegningen.

Brukere som leser i dette forumet: Ingen registrerte brukere og 2 gjester